矿用振动香蕉短视频下载的产品简介
矿用振动香蕉短视频下载采用激振器偏心块作为动力源,在筛选过程中有足够的弹跳力,能够有效避免物料卡槽,使筛选透网率更高。根据用途有轻型和重型之分,筛面有单层和多层结构形式,主要针对硬度较高、大块状物料的干式分级筛选,比如煤碳、碎石、鹅卵石等有较强耐冲击力的物料。它主要是引进德国技术制造的高效香蕉短视频下载,振幅强弱可调节,具有筛选距离长,多层筛选,筛选效率高等优点。广泛应用于电力、矿山、洗煤厂、建材等行业。
矿用振动香蕉短视频下载的工作原理
矿用振动香蕉短视频下载的筛箱运动轨迹为圆形或椭圆形,它主要是采用惯性激振器产生振动,电动机经三角带使激振器偏心块产生高速旋转,从而产生很大的离心力,促使筛箱产生一定振幅的圆运动,筛上物料在倾斜的筛面上受到筛箱传给的冲量而产生连续的抛掷运动,物料与筛面相遇的过程中使小于筛孔的颗粒透筛,从而实现分级。
矿用振动香蕉短视频下载的产品特点
1、结构简单合理,运转平稳可靠,设备维修方便,使用周期及整机使用寿命长。
2、可以任意变化筛面的倾角,从而改变物料沿筛面的运动速度,从而提高筛机的处理量。
3、采用侧振式偏心块作为激振力,振动强度高、生产能力大、筛选效率高。激振力可随机调控,便于模块化设计和使用。
4、采用轮胎联轴器,柔性联接,运转平稳,振动噪音小、坚固耐用、维修方便、使用安全。
5、运行中卡在筛孔中的物料可以自动跳出,防止筛孔堵塞。
6、筛箱采用高强度螺栓联结,无焊接。
7、材质采用高强度锰钢制作,对于硬度较高、大块状物料有较强的耐冲击力。
矿用香蕉短视频下载单轴式的技术参数
|
型号 |
筛网 |
给料粒度
(mm) |
生产能力
(t/h) |
振动频率
(l/min) |
双振幅
(mm) |
电动机 |
安装
形式 |
总重
(kg) |
|
层数 |
面积
(㎡) |
筛孔尺寸
(mm) |
筛网
结构 |
型号 |
功率(kw) |
|
DD918 |
1 |
1.6 |
1-25 |
钢丝编织 |
≤60 |
10-30 |
1000 |
5-6 |
Y100L-4 |
2.2 |
吊式 |
440 |
|
2DD918 |
2 |
1.6 |
1-25 |
钢丝编织 |
≤60 |
10-30 |
1000 |
5-6 |
Y100L-4 |
2.2 |
吊式 |
600 |
|
DDM1235 |
1 |
4 |
500-100 |
钢丝编织 |
≤400 |
150-210 |
920 |
6 |
Y132S-4B3 |
5.5 |
吊式 |
2112 |
|
DDM1556 |
1 |
8 |
25-50 |
冲孔 |
≤400 |
400 |
920 |
6-8 |
Y160M-4B3 |
11 |
吊式 |
3376 |
|
2DDM1556 |
2 |
8 |
上25-100
下6-25 |
上冲下编 |
≤400 |
上90-450
下30-90 |
1000 |
6 |
Y180M-4 |
18.5 |
吊式 |
5096 |
|
DDM1740 |
1 |
7 |
50-100 |
冲孔 |
≤400 |
240-360 |
920 |
5-7 |
Y132M-4B3 |
7.5 |
吊式 |
3092 |
|
DDM1756 |
1 |
9.5 |
25-50 |
冲孔 |
≤400 |
270-540 |
920 |
5-7 |
Y160T-4B3 |
15 |
吊式 |
3995 |
|
DDM2056 |
1 |
11 |
25-125 |
冲孔 |
≤400 |
300-1100 |
920 |
6-8 |
180M-4B3 |
18.5 |
吊式 |
4599 |
|
2DDM2056 |
2 |
11 |
上25-100
下6-25 |
冲孔 |
≤400 |
120-600
40-120 |
1000 |
6-8 |
Y180M-4 |
18.5 |
吊式 |
5650 |
|
ZD918 |
1 |
1.6 |
1-25 |
编织 |
≤60 |
10-30 |
1000 |
6 |
Y100L-4 |
2.2 |
吊式 |
553 |
|
2ZD918 |
2 |
1.6 |
1-25 |
编织 |
≤50 |
10-30 |
1000 |
6 |
Y100L-4 |
2.2 |
座式 |
702 |
|
ZD1224 |
1 |
2.9 |
6-40 |
编织 |
≤100 |
70-210 |
1000 |
0-7 |
Y112M-4 |
4 |
座式 |
1130 |
|
2ZD1224 |
2 |
2.9 |
6-40 |
编织 |
≤100 |
70-210 |
850 |
0-7 |
Y112M-4 |
4 |
座式 |
1545 |
|
ZD1224J |
1 |
2.9 |
上11×42
下26×35 |
橡胶 |
≤100 |
70-210 |
850 |
3.5 |
Y112M-4 |
4 |
座式 |
1086 |
|
2ZD124J |
2 |
2.9 |
上13×42
下48×58 |
橡胶 |
≤100 |
70-210 |
800 |
3.5 |
Y112M-4 |
4 |
座式 |
1637 |
|
ZDM1235 |
1 |
4 |
50-100 |
冲孔 |
≤400 |
150-210 |
920 |
7 |
Y132-4B3 |
5.5 |
座式 |
2235 |
|
ZD1530 |
1 |
4.5 |
6-50 |
钢丝编织 |
≤100 |
90-270 |
920 |
6-7 |
Y132S-4 |
5.5 |
座式 |
1650 |
|
2ZD150 |
2 |
4.5 |
6-50 |
钢丝编织 |
≤100 |
90-270 |
850 |
6-7 |
Y132S-4 |
5.5 |
座式 |
2260 |
|
ZD153J |
1 |
4.5 |
11×42 |
橡胶 |
≤150 |
90-270 |
850 |
7 |
132-4 |
5.5 |
座式 |
2260 |
|
2ZD1530J |
2 |
4.5 |
上13×42
下48×58 |
橡胶 |
≤100 |
90-270 |
850 |
7 |
Y132S-4 |
5.5 |
座式 |
2653 |
|
ZD1540 |
1 |
6 |
650 |
钢丝编织 |
≤100 |
90-270 |
850 |
7 |
Y132M-4 |
7.5 |
座式 |
2070 |
|
2ZD1540 |
2 |
6 |
6-50 |
钢丝编织 |
≤100 |
90-270 |
850 |
7 |
Y132M-4 |
7.5 |
座式 |
2850 |
|
ZDM1556 |
1 |
8 |
25-50 |
冲孔 |
≤400 |
225-450 |
920 |
6-8 |
Y160m-4 |
11 |
座式 |
3611 |
|
2ZDM1556 |
2 |
8 |
上25-50
下6-25 |
冲孔 |
≤400 |
30-300 |
1000 |
6-8 |
Y180m-4B3 |
18.5 |
座式 |
5347 |
|
ZDM1740 |
1 |
7 |
50-100 |
冲孔 |
≤400 |
270-400 |
920 |
5-7 |
Y132M-4B3 |
7.5 |
座式 |
3224 |
|
ZDM1756 |
1 |
9.5 |
25-50 |
冲孔 |
≤400 |
270-540 |
920 |
5-7 |
Y160L-4B3 |
15 |
座式 |
4027 |
|
ZD1836 |
1 |
9.5 |
6-50 |
编织 |
≤150 |
100-300 |
850 |
7 |
Y160M-4 |
11 |
座式 |
160 |
|
ZDM2056 |
1 |
11 |
13-125 |
编织 |
≤400 |
100-1000 |
920 |
6-8 |
Y180M-4 |
18.5 |
座式 |
5991 |
|
2ZDM2056 |
2 |
11 |
上25-100
下6-25 |
上冲下编 |
≤400 |
120-600 |
1000 |
6-8 |
Y180M-4B3 |
18.5 |
座式 |
5891 |
|
2ZDM2056G |
2 |
11 |
上25-100
下0.75 |
上编下条 |
≤400 |
200-400 |
800 |
6.7 |
Y180M-4B3 |
18.5 |
座式 |
9864 |
|
ZD2160 |
1 |
12. |
10-5 |
橡胶 |
≤150 |
100-300 |
900 |
8 |
Y180L-4 |
22 |
座式 |
6529 |
|
ZD1836J |
1 |
6.5 |
上43×58
下87×104 |
橡胶 |
≤150 |
100-300 |
850 |
7 |
Y160M-4 |
11 |
座式 |
475 |
注:以上单轴式矿用振动香蕉短视频下载型号尺寸为标准机型,如用户有特殊要求可量身定做。
矿用香蕉短视频下载单轴式型号标识
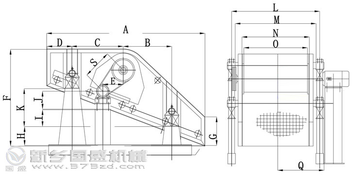
矿用振动香蕉短视频下载单轴式结构图
矿用振动香蕉短视频下载单轴式尺寸对照表
|
型号 |
A |
B |
C |
D |
E |
F |
G |
H |
I |
J |
K |
L |
M |
N |
O |
Q |
S |
|
ZD1224 |
2400 |
750 |
750 |
350 |
320 |
1334 |
457 |
234 |
0 |
374 |
546 |
1656 |
1712 |
1456 |
1340 |
1011 |
567 |
|
ZD1530 |
3000 |
900 |
900 |
546 |
470 |
1556 |
479 |
206 |
52 |
374 |
655 |
2136 |
2012 |
1756 |
1640 |
1190 |
670 |
|
ZD1540 |
4000 |
1358 |
1312 |
663 |
530 |
2028 |
479 |
280 |
332 |
402 |
972 |
2156 |
2032 |
1756 |
1640 |
1191 |
761 |
|
ZD1836 |
3600 |
1200 |
120 |
476 |
530 |
1807 |
465 |
328 |
190 |
402 |
8735 |
2456 |
2332 |
2056 |
1940 |
1386 |
761 |
|
ZD2160 |
6000 |
1950 |
1950 |
900 |
788 |
3035 |
857 |
535 |
0 |
480 |
1955 |
3140 |
2852 |
2420 |
2240 |
1665 |
1344 |
矿用香蕉短视频下载YK形式的技术参数
|
型号 |
筛网
层数 |
筛网
面积
(㎡) |
筛孔
尺寸
(mm) |
较大进
料尺寸
(mm) |
处理能力
(m3/h) |
振动频率
(r/min) |
振幅
(mm) |
电机
功率
(kw) |
筛面规格
(mm) |
总重量
(kg) |
外形尺寸
(长×宽×高)
(mm) |
|
2YK1224 |
2 |
6 |
4-50 |
400 |
8-60 |
800-970 |
8 |
5.5 |
1200×2500 |
3500 |
2930×1860×870 |
|
3YK1224 |
3 |
9 |
4-50 |
400 |
10-70 |
800-970 |
8 |
5.5 |
1200×2500 |
3850 |
3070×1860×1210 |
|
2YK1230 |
2 |
7.2 |
4-50 |
400 |
12-78 |
800-970 |
8 |
7.5 |
1200×3000 |
4200 |
3430×1860×870 |
|
3YK1230 |
3 |
10.8 |
4-50 |
400 |
13-80 |
800-970 |
8 |
7.5 |
1200×3700 |
4600 |
3570×1860×1210 |
|
2YK1237 |
2 |
8.88 |
4-50 |
400 |
15-86 |
800-970 |
8 |
7.5 |
1200×3700 |
4600 |
4050×1860×870 |
|
3YK1237 |
3 |
13.32 |
4-50 |
400 |
16-90 |
800-970 |
8 |
7.5 |
1500×3500 |
5200 |
4270×1860×1210 |
|
2YK1530 |
2 |
10.5 |
5-50 |
400 |
20-125 |
800-970 |
8 |
11 |
1500×3500 |
5890 |
4120×2210×1230 |
|
3YK1530 |
3 |
15.75 |
5-50 |
400 |
21-125 |
800-970 |
8 |
11 |
1500×3500 |
6700 |
4360×2210×1610 |
|
2YK1545 |
2 |
13.5 |
5-50 |
400 |
22-150 |
800-970 |
8 |
15 |
1500×4500 |
6330 |
5120×2210×1230 |
|
3YK1545 |
3 |
20.25 |
5-50 |
400 |
22-150 |
800-970 |
8 |
15 |
1500×4500 |
6800 |
5360×2210×1610 |
|
4YK1545 |
4 |
27 |
5-50 |
400 |
22-155 |
800-970 |
8 |
18.5 |
1500×4500 |
7800 |
5930×2210×2060 |
|
2YK1548 |
2 |
14.4 |
5-50 |
400 |
22.5-162 |
800-970 |
8 |
15 |
1500×4800 |
6980 |
5420×2210×1230 |
|
3YK1548 |
3 |
21.6 |
5-50 |
400 |
22.5-162 |
800-970 |
11 |
15 |
1500×4800 |
7700 |
5660×2210×1610 |
|
4YK1548 |
4 |
28.8 |
5-50 |
400 |
22.5-162 |
800-970 |
8 |
18.5 |
1500×4800 |
8700 |
6230×2210×2060 |
|
2YK1848 |
2 |
17.28 |
5-80 |
400 |
25-206 |
750 |
8 |
15 |
1800×4800 |
9080 |
5420×2550×1420 |
|
3YK1848 |
3 |
25.92 |
5-80 |
400 |
32-276 |
750 |
8 |
18.5 |
1800×4800 |
9600 |
5660×2550×1780 |
|
4YK1848 |
4 |
34.56 |
5-80 |
400 |
32-285 |
750 |
8 |
22 |
1800×4800 |
11100 |
6290×2550×2160 |
|
2YK1854 |
2 |
19.44 |
5-80 |
400 |
32-312 |
800-970 |
8 |
18.5 |
1800×5400 |
10150 |
5960×2550×1420 |
|
3YK1854 |
3 |
29.16 |
5-80 |
400 |
32-312 |
800-970 |
8 |
22 |
1800×5400 |
10840 |
6260×2550×1780 |
|
4YK1854 |
4 |
38.88 |
5-80 |
400 |
32-336 |
800-970 |
8 |
30 |
1800×5400 |
12840 |
6830×2550×2160 |
|
2YK2160 |
2 |
25.2 |
5-100 |
400 |
50-475 |
970 |
8 |
30 |
2100×2600 |
11780 |
6720×2840×1530 |
|
3YK2065 |
3 |
37.8 |
5-10 |
400 |
50-475 |
970 |
8 |
30 |
2100×2600 |
12800 |
7530×2840×1910 |
|
4YK2065 |
4 |
50.4 |
5-100 |
400 |
50-497 |
970 |
8 |
37 |
2100×2600 |
14800 |
7800×2840×2380 |
|
2YK2665 |
2 |
28.8 |
5-100 |
400 |
65-500 |
970 |
8 |
37 |
2400×6000 |
15600 |
7125×3340×1530 |
|
3YK2665 |
3 |
43.2 |
5-100 |
400 |
70-620 |
970 |
8 |
37 |
2400×6000 |
17600 |
7400×3340×1910 |
|
4YK2665 |
4 |
57.6 |
5-100 |
400 |
80-680 |
970 |
8 |
45 |
2400×6000 |
19600 |
7700×3340×2380 |
|
2YK2870 |
2 |
39.2 |
5-100 |
400 |
120-680 |
750 |
8 |
22×2 |
2800×7000 |
21200 |
7600×4320×1620 |
|
3YK2870 |
3 |
58.8 |
5-100 |
400 |
180-720 |
750 |
8 |
22×2 |
2800×7000 |
22400 |
7800×4320×2120 |
|
2YK3072 |
2 |
43.2 |
5-100 |
400 |
200-700 |
750 |
8 |
22×2 |
3000×7200 |
23600 |
7800×4520×1750 |
|
3YK3072 |
3 |
64.8 |
5-100 |
400 |
230-800 |
750 |
8 |
22×2 |
3000×7200 |
25500 |
8000×4520×2300 |
注:以上矿用振动香蕉短视频下载圆形YK式型号尺寸为标准机型,如用户有特殊要求可量身定做。
矿用振动香蕉短视频下载YK型尺寸对照表
|
型号 |
L |
L1 |
L2 |
L3 |
L4 |
B |
B1 |
B2 |
B3 |
H |
H1 |
H2 |
|
YK1224 |
2560 |
203 |
2359 |
349 |
1638 |
1200 |
1260 |
1489 |
3128 |
2632 |
430 |
|
|
YK1530 |
3051 |
360 |
2500 |
1800 |
335 |
1500 |
1560 |
1750 |
3665 |
2096 |
500 |
|
|
YK1836 |
3678 |
313 |
3100 |
1941 |
519 |
1800 |
1860 |
1662 |
3656 |
2646 |
654 |
|
|
YK2065 |
6761 |
1497 |
3898 |
300 |
350 |
2127 |
2203 |
2464 |
4335 |
4700 |
791 |
|
|
YK2560 |
6033 |
570 |
4900 |
3200 |
508 |
2500 |
2600 |
3127 |
4940 |
3700 |
1137 |
|
|
2YK1224 |
2560 |
203 |
2359 |
349 |
1638 |
1200 |
1260 |
1489 |
3128 |
2332 |
392 |
806 |
|
2YK1530 |
3051 |
360 |
2500 |
1800 |
335 |
1500 |
1560 |
1750 |
3665 |
2396 |
460 |
823 |
|
2YK1836 |
3678 |
313 |
3100 |
1941 |
519 |
1800 |
1860 |
1662 |
3656 |
3946 |
520 |
820 |
|
2YK2148 |
4689 |
311 |
4220 |
2500 |
500 |
2100 |
2160 |
2528 |
4745 |
4100 |
722 |
1617 |
|
2YK2665 |
6761 |
1497 |
3898 |
3200 |
349 |
2645 |
2721 |
2935 |
5614 |
4890 |
608 |
1844 |
矿用振动香蕉短视频下载YK结构图
矿用振动香蕉短视频下载YA技术参数
|
型号 |
筛面
面积
(m2) |
筛面
倾角
(°) |
筛孔
尺寸
(mm) |
筛网
结构 |
给料
粒度
(mm) |
处理
能力
(t/h) |
振次
(r.p.m) |
双振幅
(mm) |
电机
功率
(kw) |
参考
重量
(kg) |
|
YA1236 |
4.3 |
20 |
6-50 |
编织 |
≤200 |
75-245 |
845 |
9.5 |
11 |
4880 |
|
2YA1236 |
4.3 |
6-50 |
编织 |
≤200 |
75-245 |
845 |
9.5 |
11 |
5210 |
|
YA1530 |
4.5 |
6-50 |
编织 |
≤200 |
80-255 |
845 |
9.5 |
11 |
4500 |
|
YA1536 |
5.4 |
6-50 |
编织 |
≤200 |
95-310 |
845 |
9.5 |
11 |
5110 |
|
2YA1536 |
5.4 |
6-50 |
编织 |
≤400 |
95-310 |
845 |
9.5 |
15 |
5585 |
|
YAH1536 |
5.4 |
30-150 |
冲孔 |
≤400 |
240-660 |
755 |
11 |
11 |
5600 |
|
2YAH1536 |
5.4 |
30-150
6-50 |
上冲孔
下编织 |
≤400 |
240-660 |
755 |
11 |
15 |
5999 |
|
YA1542 |
6.5 |
6-50 |
编织 |
≤200 |
110-360 |
845 |
9.5 |
11 |
5200 |
|
2YA1542 |
6.5 |
6-50 |
编织 |
≤200 |
110-360 |
845 |
9.5 |
15 |
6010 |
|
YA1548 |
7.2 |
6-50 |
编织 |
≤200 |
125-410 |
845 |
9.5 |
15 |
5812 |
|
2YA1548 |
7.2 |
6-50 |
编织 |
≤200 |
125-410 |
845 |
9.5 |
15 |
6125 |
|
YAH1548 |
7.2 |
30-150 |
冲孔 |
≤400 |
320-780 |
755 |
11 |
15 |
6745 |
|
2YAH1548 |
7.2 |
30-150
6-50 |
上冲孔
下编织 |
≤400 |
320-780 |
755 |
11 |
15 |
7380 |
|
YA1836 |
6.5 |
6-50 |
编织 |
≤200 |
115-370 |
845 |
9.5 |
11 |
5180 |
|
2YA1836 |
6.5 |
6-50 |
编织 |
≤200 |
115-370 |
845 |
9.5 |
15 |
5940 |
|
YAH1836 |
6.5 |
30-150 |
冲孔 |
≤400 |
290-800 |
755 |
11 |
11 |
5880 |
|
2YAH1836 |
6.5 |
30-150
6-50 |
上冲孔
下编织 |
≤400 |
290-800 |
755 |
11 |
15 |
6300 |
|
YA1842 |
7.6 |
6-50 |
编织 |
≤200 |
135-430 |
845 |
9.5 |
15 |
5800 |
|
2YA1842 |
7.6 |
6-50 |
编织 |
≤200 |
135-430 |
845 |
9.5 |
15 |
6350 |
|
YAH1842 |
7.6 |
30-150 |
冲孔 |
≤400 |
340-900 |
755 |
11 |
15 |
6350 |
|
2YAH1842 |
7.6 |
30-150
6-50 |
上冲孔
下编织 |
≤400 |
340-900 |
755 |
11 |
15 |
7000 |
|
YA1848 |
8.6 |
6-50 |
编织 |
≤200 |
150-490 |
845 |
9.5 |
15 |
6210 |
|
2YA1848 |
8.6 |
6-50 |
编织 |
≤200 |
150-490 |
845 |
9.5 |
15 |
6600 |
|
YAH1848 |
8.6 |
30-150 |
冲孔 |
≤400 |
385-1000 |
755 |
11 |
15 |
7100 |
|
2YAH1848 |
8.6 |
30-150
6-50 |
上冲孔
下编织 |
≤400 |
385-1000 |
755 |
11 |
15 |
7700 |
|
YA2148 |
10 |
6-50 |
编织 |
≤210 |
175-570 |
748 |
9.5 |
18.5 |
9000 |
|
2YA2148 |
10 |
6-50 |
编织 |
≤210 |
175-570 |
748 |
9.5 |
22 |
10400 |
|
YAH2148 |
10 |
30-150 |
冲孔 |
≤400 |
445-1200 |
708 |
11 |
18.5 |
10350 |
|
2YAH2148 |
10 |
30-150
6-50 |
上冲孔
下编织 |
≤400 |
445-1200 |
708 |
11 |
22 |
11100 |
|
YA2160 |
12.6 |
6-50 |
编织 |
≤200 |
220-700 |
748 |
9.5 |
18.5 |
9920 |
|
2YA2160 |
12.6 |
6-50 |
编织 |
≤200 |
220-700 |
748 |
9.5 |
22 |
11200 |
|
YAH2160 |
12.6 |
30-150 |
冲孔 |
≤400 |
560-1400 |
708 |
11 |
30 |
12390 |
|
2YAH2160 |
12.6 |
30-150
6-50 |
上冲孔
下编织 |
≤400 |
560-1400 |
708 |
11 |
30 |
13850 |
|
YA2448 |
11.5 |
6-50 |
编织 |
≤200 |
200-650 |
748 |
9.5 |
18.5 |
9830 |
|
YAH2448 |
11.5 |
30-150 |
冲孔 |
≤400 |
500-1300 |
708 |
11 |
30 |
11820 |
|
2YAH2448 |
11.5 |
30-150
6-50 |
上冲孔
下编织 |
≤400 |
500-1300 |
708 |
11 |
30 |
13000 |
|
YA2460 |
14.4 |
6-50 |
编织 |
≤200 |
250-810 |
748 |
9.5 |
30 |
12200 |
|
2YA2460 |
14.4 |
6-50 |
编织 |
≤200 |
250-810 |
748 |
9.5 |
30 |
13495 |
|
YAH2460 |
14.4 |
30-150 |
冲孔 |
≤400 |
640-1500 |
708 |
11 |
30 |
13000 |
|
2YAH2460 |
14.4 |
30-150
6-50 |
上冲孔
下编织 |
≤400 |
640-1500 |
708 |
11 |
30 |
14400 |
注:以上矿用振动香蕉短视频下载圆形YA式型号尺寸为标准机型,如用户有特殊要求可量身定做。
矿用振动香蕉短视频下载YA结构图
矿用振动香蕉短视频下载YA尺寸对照图

|
型号 |
L |
L1 |
L2 |
L3 |
L4 |
B |
B1 |
B2 |
B3 |
B4 |
B5 |
B6 |
B7 |
H |
H1 |
H2 |
H3 |
H4 |
|
YA1236 |
3557 |
560 |
2548 |
1211 |
542 |
1225 |
903 |
820 |
1700 |
1933 |
283 |
277 |
1676 |
2456 |
1077 |
|
823 |
1100 |
|
YA1536 |
3557 |
560 |
2564 |
1203 |
542 |
1530 |
1055 |
972 |
2005 |
2238 |
283 |
277 |
1981 |
2437 |
1064 |
|
530 |
1100 |
|
YA1836 |
3557 |
559 |
3138 |
1203 |
542 |
1835 |
1208 |
1125 |
2310 |
2543 |
283 |
277 |
2286 |
2437 |
1064 |
|
826 |
1100 |
|
YA1842 |
4131 |
563 |
3694 |
1480 |
660 |
1835 |
1208 |
1125 |
2310 |
2543 |
305 |
300 |
2286 |
2700 |
1145 |
|
845 |
1100 |
|
YA1848 |
4704 |
560 |
3410 |
1786 |
976 |
1835 |
1208 |
1125 |
2310 |
2543 |
305 |
300 |
2286 |
2943 |
1145 |
|
911 |
1100 |
|
YA2148 |
4745 |
660 |
3890 |
1686 |
708 |
2140 |
1434 |
1460 |
2615 |
2848 |
385 |
319 |
2591 |
3501 |
1500 |
|
1368 |
1400 |
|
YA2160 |
5916 |
825 |
3898 |
2067 |
1078 |
2140 |
1526 |
1446 |
2615 |
2848 |
520 |
379 |
2591 |
3849 |
1628 |
|
1278 |
1600 |
|
YA2460 |
5891 |
818 |
2548 |
2077 |
1078 |
2145 |
1678 |
1598 |
2920 |
3153 |
520 |
380 |
2896 |
3846 |
1628 |
|
1290 |
1600 |
|
2YA1236 |
3557 |
560 |
2548 |
1211 |
542 |
1225 |
903 |
820 |
1700 |
1933 |
283 |
277 |
1676 |
2419 |
1045 |
140 |
794 |
1100 |
|
2YA1536 |
3557 |
560 |
2564 |
1203 |
542 |
1530 |
1055 |
972 |
2005 |
2238 |
283 |
300 |
1981 |
2437 |
1064 |
126 |
560 |
1100 |
|
2YA1836 |
3557 |
559 |
2560 |
1203 |
542 |
1835 |
1208 |
1125 |
2310 |
2543 |
283 |
300 |
2286 |
2437 |
1064 |
125 |
826 |
1100 |
|
2YA1842 |
4131 |
563 |
3138 |
1480 |
660 |
1835 |
1208 |
1125 |
2310 |
2543 |
305 |
300 |
2286 |
2700 |
1145 |
138 |
845 |
1100 |
|
2YA1848 |
4704 |
560 |
3694 |
1786 |
976 |
1835 |
1208 |
1125 |
2310 |
2543 |
305 |
300 |
2286 |
2943 |
1145 |
120 |
911 |
1100 |
|
2YA2148 |
4745 |
660 |
3410 |
1686 |
708 |
2140 |
1434 |
1460 |
2615 |
2848 |
385 |
339 |
2591 |
3501 |
1520 |
422 |
1368 |
1400 |
|
2YA2160 |
5916 |
825 |
3890 |
2067 |
1078 |
2140 |
1526 |
1446 |
2615 |
2848 |
520 |
380 |
2591 |
3849 |
1628 |
255 |
1278 |
1600 |
|
2YA2460 |
5891 |
818 |
3898 |
2077 |
1078 |
2145 |
1678 |
1598 |
2920 |
3153 |
520 |
380 |
2896 |
3846 |
1628 |
255 |
1290 |
1600 |
矿用振动香蕉短视频下载的选购需知
1、筛网结构有编织网闯、冲孔筛板。如果选用铁签式筛板可按要求生产厂家设计。
2、在选用时如有改变筛面倾角的要求,可另行设计。给料箱为选择件,用户如有需要,可供给料箱。
3、筛机可分为单层和多层,并有轻型和重型之分,适用不同物料粒度级别的筛选。选用时请确定电压制式及有无防爆要求。
4、电动机可安装在左侧或右侧,无特殊要求就按安装图纸安装、供贷。
5、双层筛上层筛面选定的筛孔尺寸超过技术性能及参数中规定的筛孔尺寸时,应按要求设计。
6、该设备的安装方式有支座式和吊挂式及二者搭配式等多种形式,选型时请务必慎重考虑。
矿用振动香蕉短视频下载的安全操作规程
一、启动前检查
检查所有螺栓是否紧固,各个轴承润滑情况是否良好,筛网的磨损是否严重,防护装置是否完好,转动部位是否灵活可靠等等具体细节,检查完毕方可空载试运行。
二、启动后检查
按下启动按钮,注意矿用振动香蕉短视频下载的振动情况,聆听机体的运转声音,如有异常,立即停机查看。还要时刻留意出料情况,如有堵塞,要及时疏通。空载运行时有异常振动时,检查并紧固地脚螺栓。有异常杂音时,要停机并清理筛内残余物料或维修传动部位和机体的间隙。如果设备部运转,要检查电机与机体的连接部位。时刻注意传动部位的轴承,运转的温升为35度,环境温度为25度,如果轴承温度高于70度或环境温度高于25度时,要停车检修,并做好检修记录。矿用振动香蕉短视频下载停机时,要把筛面上的物料筛选完毕再关机,并把设备内外的杂物清理干净。
三、安全和环境事项
为保障安全,设备运转时严谨进行调整、清理和修理工作。 该设备的环境噪声如果达到50分贝以上时,必须佩带防护耳罩或耳塞。设备的环境呼吸粉尘浓度大于3.5毫克/立方米以上时,必须佩带防尘口罩。每次停机时要求对设备进行全面的清理和擦拭。
|